henan glory oils & fats engineering co.,ltd

+ лет Производителя масляного оборудования—

ОБОРУДОВАНИЕ ДЛЯ РАФИНАЦИИ СЫРОГО РАСТИТЕЛЬНОГО МАСЛА

  • Линия по рафинации
    растительного малса

    Тип 1: Оборудование для периодической рафинации
    Тип 1: растительного масла

    Подходит для небольших завод по производству
    растительного масла

    Преимущества:
    Низкие инвестиции, небольшая занимаемая площадь,
    простота в эксплуатации.

    • Электроподогрев

      Производительность:
      0,5т/д, 1т/д, 2т/д

    • Термомасляный нагрев

      Производительность:
      1т/д, 2т/д, 3т/д, 5т/д, 10т/д, 20т/д

    Технологическая схема процесса периодической
    рафинации 1-5 т/д

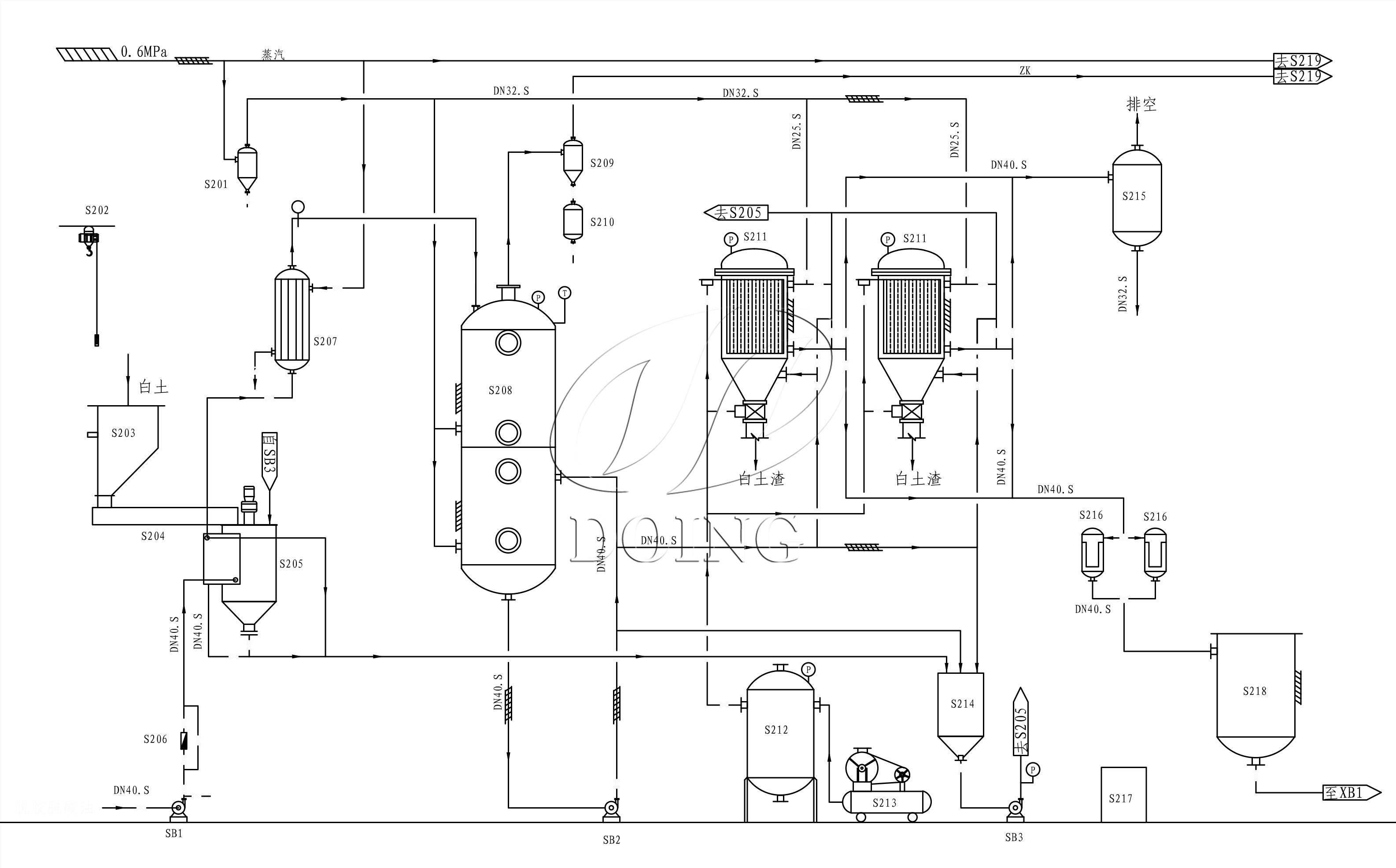
  • Тип 2: Оборудование для полунепрерывной рафинации Тип 2: растительного масла

    Производительность: 5-50 т/д
    Подходит для средних заводов по производству растительного малса

    Оборудование для полунепрерывной рафинации растительного масла
    Преимущества:Секция дезодорации осуществляется
    Преимущества:непрерывно, Более высокая
    Преимущества:эффективность, лучший эффект

    Технологическая схема процесса полунепрерывной рафинации 20т/д

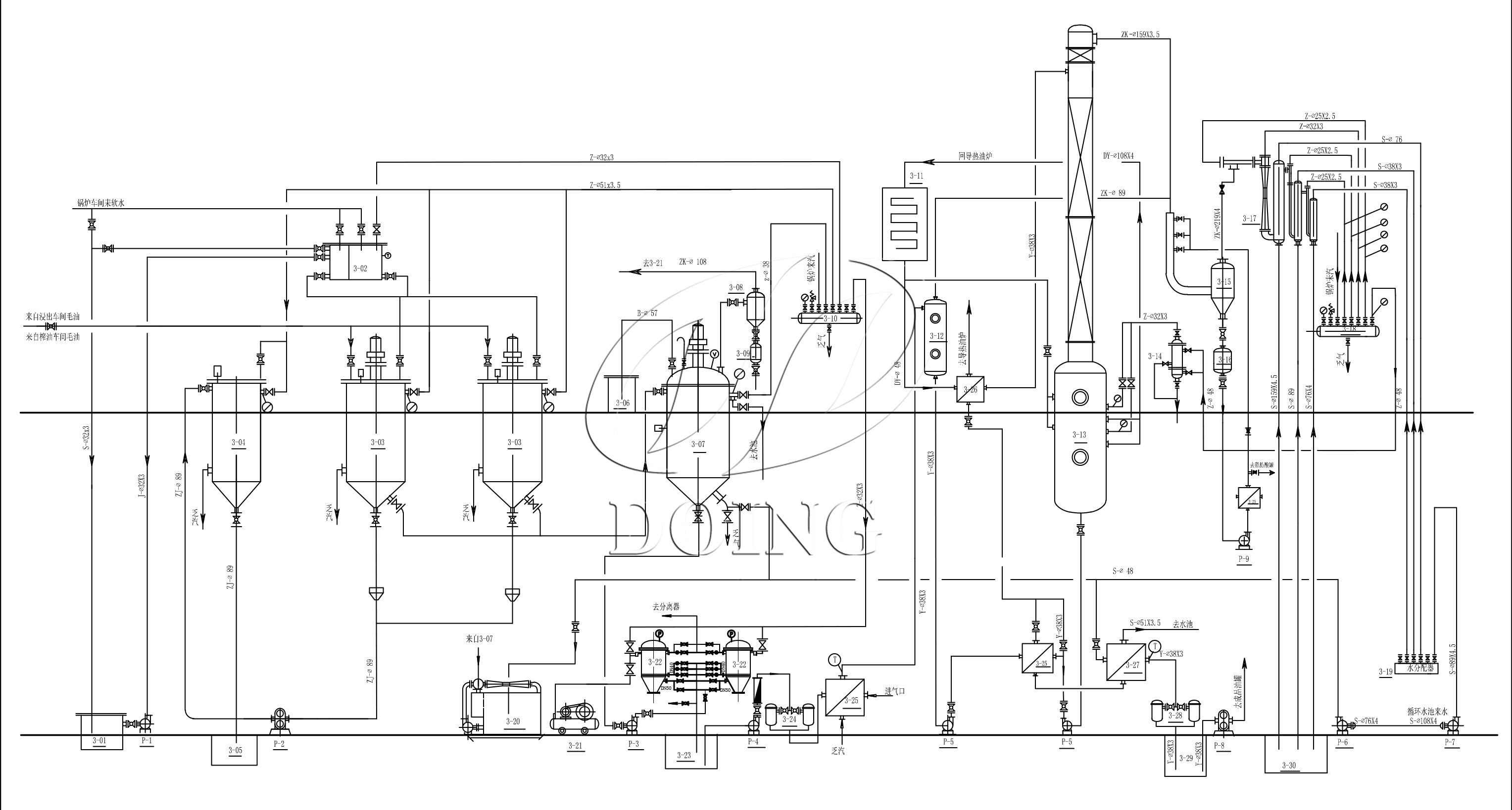
  • Тип 3: Оборудование для непрерывной рафинации
    Тип 3: растительного масла

    Производительность:≥30t/d
    Подходит для крупных заводов по производству
    растительного малса

    Подходит для крупных заводов по производству растительного малса
    Преимущества:Весь процессы рафинирования полностью
    Преимущества:непрерывны, высокая степень автоматизации,
    Преимущества:высокая производительность, низкая Преимущества:стоимость рабочей силы.

    Технологическая схема процесса полной непрерывной рафинации 30т/д

  • Тип4: Оборудование для депарафинизации и
    Тип4: вымораживания

    Производительность:1-600т/д

    Fractionation, Dewaxing, Winterization Machine
    ● Оборудование для депарафинизации: подходит для
    ● подсолнечного масла, масла из кукурузных зародышей,
    ● масла из рисовых отрубей и льняного масла
    ● Оборудование для вымораживания: подходит для
    ● хлопкового масла
  • the oil refining process

Процесс рафинации растительного масла и конфигурация оборудования будут различаться в зависимости от видов сырого масла и суммы бюджета клиентов.

Свяжитесь с нами

Пожалуйста, оставьте свои подробные требования или свяжитесь с нами по телефону +86 13526627860. Наши профессиональные инженеры свяжутся с вами в течение 24 часов. Ваша контактная информация будет защищена!

  • Q Какое у вас сырье?
  • Q Сколько тонн вы хотите перерабатывать в день?
  • Q Какое оборудование вам нужно? Или какие у вас другие требования?
WhatsApp/Tel*:
Email *:
Страна *:
Inquiry:

FAQ

  • Q

    Каковы основные показатели качества растительного масла?

  • A

    Кислотное число, пероксидное число, влажность и летучие вещества, а также остаток растворителя являются основными показателями контроля качества в процессе обработки растительных масел. Кроме того, есть также цвет, испытание на нагрев 280 ℃, температура дымления, карбонильное число, афлатоксин B1, температура замерзания, температура вспышки, йодное число, число омыления и т. д. Разные растительные масла требуют разных показателей. Вы можете узнать о показателях потребности в растительном масле в вашей стране.

  • Q

    Могу ли я производить квалифицированное растительное масло RBD?

  • A

    Оборудование для рафинации растительного масла относится к индивидуальным продуктам, которые изготавливаются в соответствии с вашими требованиями и характеристиками вашего сырого масла. При вводе машины в эксплуатацию растительное масло RBD будет неоднократно тестироваться в лаборатории, чтобы достичь стандарта.

  • Q

    Как выбрать оборудование для рафинации растительного масла?

  • A

    Вы можете выбрать его в зависимости от качества сырого масла, требований процесса рафинации растительного масла и вашего бюджета. Вы также можете сообщить нам свою конкретную информацию, и наш отдел продаж и инженер предоставят вам подходящий выбор.

ДРУГОЕ ПОСТАВЛЯЕМОЕ ОБОРУДОВАНИЕ

  • Машина по выдуву

    Машина по бутылок

  • Автовесы

    Автовесы

  • Резервуар для
            хранения масла

    Резервуар для хранения масла

( Поддержка настройки )

Оборудование для розлива растительного масла

Оборудование для розлива растительного масла

( Поддержка настройки )

ДРУГИЕ РЕКОМЕНДАТЕЛЬНЫЕ ПРОДУКТЫ

  • Полный комплект оборудования для производства
                растительных масел
  • Оборудование для прессования растительных масел
  • Оборудование для
                экстрагирования
                растительных масел
  • Маслопресс для
                растительных
                масел

Свяжитесь с нами

Пожалуйста, оставьте свои подробные требования или свяжитесь с нами по телефону +86 13526627860. Our professional Наши профессиональные инженеры свяжутся с вами в течение 24 часов. Ваша контактная информация будет защищена!

  • Q Какое у вас сырье?
  • Q Сколько тонн вы хотите перерабатывать в день?
  • Q Какое оборудование вам нужно? Или какие у вас другие требования?
WhatsApp/Tel*:
Email *:
Страна *:
Inquiry:

ПРОФИЛЬ КОМПАНИИ

ПРОФИЛЬ КОМПАНИИ

Являясь одной из дочерних компаний Doing Holdings Co., Ltd., Henan Glory Oils & Fats Engineering Co., Ltd. является комплек- сным предприятием по производству оборудования для производства растительного масла, объединяющим проек- тирование процессов, технологические исследования и разработки, производство, продажи и послепродажное обслуживание.

Сфера деятельности оборудования для обработки растительного масла:

1-2000 т/д оборудование для предварительной обработки и отжима семена масличных культур;

30-2000 т/сутки оборудование для экстракции растительного масла растворителем;

1-1000 т/сутки оборудование для рафинации сырого растительного масла;

Прочее одиночное оборудование;

НАШИ ОБСЛУЖИВАНИЯ

24/7 СЕРВИС

  • 2000+

    Наши клиенты

  • 80+

    Страна-экспортер

  • 50+

    Технический инженер

  • 100+

    Профессиональная
    команда установщиков

  • 100K+

    Стремление клиентов

  • 24H

    Техническая поддержка

DOING HOLDINGS

Henan Glory Oils & Fats Engineering Co., Ltd

Свяжитесь с нами

Пожалуйста, оставьте свои подробные требования или свяжитесь с нами по телефону +86 13526627860. Наши профессиональные инженеры свяжутся с вами в течение 24 часов. Ваша контактная информация будет защищена!

  • Q Какое у вас сырье?
  • Q Сколько тонн вы хотите перерабатывать в день?
  • Q Какое оборудование вам нужно? Или какие у вас другие требования?
WhatsApp/Tel*:
Email *:
Страна *:
Inquiry: